В вашей корзине

0 товаров,
на сумму 0.00 руб.
Оформить заказ
Меню

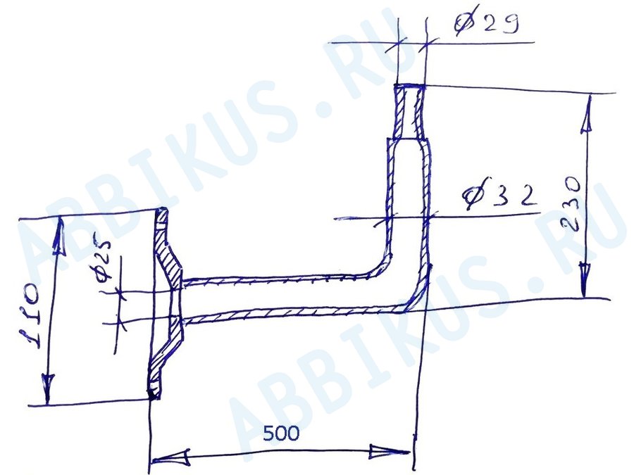
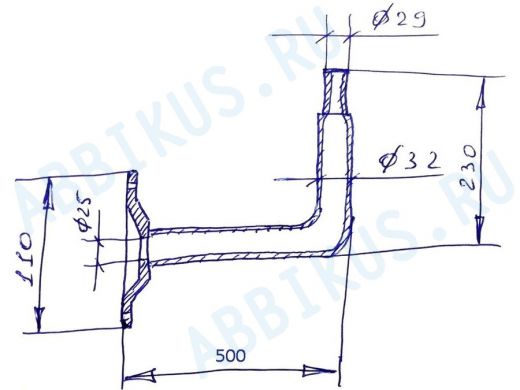
Кронштейн для антенн и видеокамер, вылет 50 см "HIWOLL-SPIN-114108" сталь, серый, обжатый конец

Код: 114108

1695.00 руб.
Количество:
В корзину Купить в 1 клик Кронштейн для антенн и видеокамер, вылет 50 см "HIWOLL-SPIN-114108" сталь, серый, обжатый конец

Доступно к заказу. Изготовление за 5 дней

Используется самостоятельно для установки антенны 

или как опора к стене для мачт "SOFT ANGLE".

Водозащищённо проложить кабель внутри кронштейна.

Для этого в основании изготовлено отверстие под кабель диаметром 25мм.

При монтаже можно кронштейн повернуть вниз, чтобы вода не попадала внутрь по кабелю (когда не используется дополнительная насадка).

Попробуйте добавить  к кронштейну опцию:

поворотную цельносваренную насадку "MIMOMOUNT-1" 

или 3D вращающуюся насадку "MIMOMOUNT-2"

С её помощью можно ориентировать антенну в любом направлении и поляризации, вращая кронштейн в обоих плоскостях. 

 

Для наращивания прямых участков применяется элемент "ХОМУТТО-32B",

с одной стороны он обжат, а с друхой имеет вваренную гайку и болт М8х30 для соединения деталей.

 

Для влагозащищенного ввода двух кабелей используется кроншейн "ADELA-2",

с одной стороны он обжат, а с друхой имеет вваренную гайку и болт М8х30 для соединения деталей.

 

Для дополнительного крепления длинных конструкций используются кронштейны "ХОМУТТО-BK"  для крепления к стене с выносом

 

    Промо код

    В избранном 0 позиций

    Личный кабинет

    Регистрация Забыли пароль?

    Каталог

    Код: 4081
    В наличии 2шт.
    219.00 руб.
    Количество:
    В корзину Купить в 1 клик BB1608/1 Сумка для СD - плеера и 8 дисков , черного цвета со вставкой

    Новости